Qu'est-ce qu'un peigne pour le chauffage par le sol: appareil et principe de fonctionnement
Le système de chauffage «planchers chauds» est incroyablement populaire et assure un chauffage efficace de l'air dans les pièces en dessous, en raison de la présence d'éléments chauffants sous le plancher. Le peigne pour le chauffage par le sol est une unité unique qui contrôle un ou plusieurs circuits de chauffage fermés.
Contenu
Qu'est-ce qu'un peigne pour un sol chaud: le rôle du nœud et le principe de fonctionnement
En règle générale, le système moderne de «chauffage par le sol» est assez complexe, représenté par plusieurs circuits avec différentes longueurs de tuyaux et la quantité de caloporteur, de sorte que le rôle d'une telle unité en tant que peigne ne doit pas être sous-estimé.

Avec valve à deux voies
La principale différence entre le schéma «peigne» standard, équipé d'une vanne à deux voies, est représentée par l'approvisionnement continu en eau du «retour» sans l'utilisation de vannes de type d'arrêt spéciales. Dans ce cas, l'unité de mélange du système «planchers chauds» mélange périodiquement de l'eau bouillante dans des conditions de refroidissement du caloporteur inférieures aux paramètres spécifiés. Ce type de circuit a fait ses preuves dans la pratique, mais uniquement en l'absence de contours excessifs.
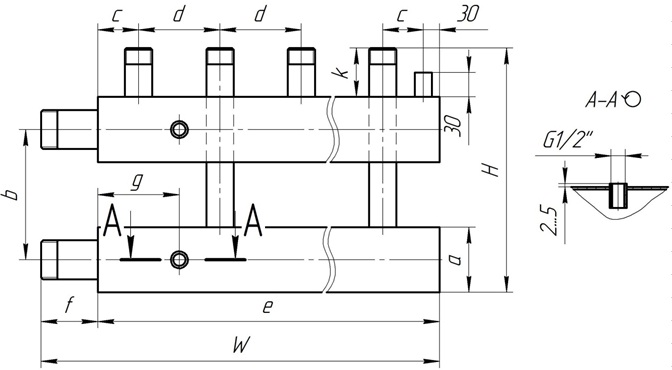
Le diagramme montre:
- 1 - vanne d'alimentation à deux voies;
- 2 - équipement de pompage de circulation;
- 3 - capteur de température;
- 4 - dispositif de vanne de type équilibrage;
- 5 - clapet anti-retour.
Le dispositif de vanne du type alimentation se caractérise par la présence d'un capteur-thermostat de liquide intégré, coupant ou ajoutant une certaine quantité de caloporteur chaud si nécessaire. Des indicateurs de température stables le long du périmètre rendent la durée de vie opérationnelle de la structure aussi élevée que possible. Les avantages de cette option sont représentés par le lissage des sauts brusques dans des conditions de faible débit du dispositif de valve.
Avec vanne à trois voies
La catégorie des équipements universels comprend des unités de mélange modernes et très efficaces montées dans le système «plancher chaud» avec un dispositif de vanne à trois voies. Cette conception implique le mélange d'eau bouillante avec un «retour» directement à l'intérieur du boîtier, ainsi que la présence de la fonction combinée d'un dispositif de vanne d'alimentation avec équilibrage de dérivation. Un amortisseur de position réglable est intégré dans la vanne.

Ce type de soupape de commande est équipé sous la forme de contrôleurs, de thermostats et de servos spéciaux dépendant des conditions météorologiques, c'est donc la meilleure option pour une installation dans plusieurs circuits pour chauffer de très grandes surfaces.
Le principal inconvénient de la conception avec une vanne à trois voies est la possibilité d'entrée d'un caloporteur chaud et le risque de pression excessive à l'intérieur du système, ce qui affecte négativement les tuyaux et réduit considérablement leur période de fonctionnement. Dans le même temps, la complexité de la régulation la plus précise des indicateurs de température est due à la présence d'un débit accru, donc même une légère rotation de l'amortisseur peut provoquer un changement de température notable dans le système de «plancher chaud» de 3 à 5 ° C.
Pour contrôler les systèmes de chauffage par le sol, des thermostats spéciaux sont utilisés. Nous vous expliquerons ce que c'est et comment choisir un thermostat pour vos besoins dans l'article:https://floor.experticuspro.com/tepliy-pol/termoregulyator-dlya-teplogo-pola.html.
Comment choisir un appareil
Si vous choisissez indépendamment un peigne pour un sol chaud, vous devez déterminer correctement l'objectif fonctionnel de cet appareil, calculer le nombre de boucles ou d'entrées connectées à l'appareil, et faire également attention au matériau de fabrication et à la disponibilité de l'automatisation, ce qui rend l'opération pratique et la plus efficace.
Matériau des collecteurs d'alimentation et de retour
Les collecteurs actuellement disponibles peuvent être fabriqués à l'aide d'acier inoxydable traditionnel, de laiton et de plastique à haute résistance.

L'acier inoxydable est une option presque idéale, mais assez chère. Les nœuds en laiton sont moins chers, mais moins fiables, caractérisés par une fragilité accrue.
Le nombre de circuits sur les capteurs, le niveau de pression et le débit d'eau autorisés
Les collecteurs de chauffage séparant les flux du caloporteur sont le plus souvent représentés par deux peignes de distribution. Le premier est la réception du liquide de refroidissement, et le second est son retour. La partie d'extrémité est équipée d'une connexion à la ligne d'alimentation ou de retour, et directement le long du corps, il y a des raccords pour charnières (circuits) du système de chauffage par le sol installé.
Lors du choix d'un appareil, il faut se rappeler que la pression standard est généralement d'environ une atmosphère et demie ou deux, mais lors de l'utilisation de l'air pendant le processus de sertissage, ces indicateurs doivent être dans la plage de 4 à 5 atm.
Degré d'automatisation des produits
Le marché moderne des produits sanitaires est prêt à présenter aux consommateurs nationaux et étrangers des conceptions techniquement avancées de peignes connectés à des thermostats et un contrôleur programmable, qui vous permet d'ajuster la température et le flux de caloporteur sur les circuits en fonction des besoins changeants.

Le coût plutôt élevé d'une unité automatisée dans la pratique, en règle générale, paie très rapidement, en raison de la consommation économique de support thermique pendant le fonctionnement.
Entreprise de fabrication
Les produits de la plus haute qualité sont fabriqués par des fabricants européens, mais leur coût est très élevé, de sorte que le prix d'un collecteur moderne et de haute qualité commence généralement entre 1 000 et 1 200 $.L'acquisition d'appareils chinois abordables est souvent une entreprise risquée, car ces peignes ne sont généralement pas très durables. Néanmoins, il existe un certain nombre de marques qui se sont bien établies et sont demandées par les consommateurs.
Tableau: avantages et caractéristiques des différentes marques de collectionneurs
| Nom | Les caractéristiques | Principaux avantages |
| Millénaire | Le groupe de capteurs de fabrication chinoise pour une utilisation efficace et sûre dans le système "plancher chaud". | Le peigne se caractérise par l'équilibre parfait entre prix abordable et fonctionnalité. |
| TIM | Un groupe de capteurs avec des débitmètres fabriqués en Chine pour l'agencement d'un plancher chauffant à l'eau et pour une utilisation dans une distribution de chaleur à faisceau collecteur. | Le peigne est fabriqué sur des équipements européens, a une haute qualité, très fiable pendant toute la durée de vie. Il est moulé par injection en laiton de haute qualité. |
| Oventrop multidis | Distributeur allemand pour chauffage au sol à circulation forcée. | Le peigne est en acier inoxydable et est conçu pour le chauffage par le sol avec des rotamètres intégrés et des inserts de contrôle. |
| bière | Collecteur italien complet en acier inoxydable, équipé de débitmètres soigneusement surveillés. | La haute fiabilité est due à des matériaux de haute qualité, la configuration optimale de l'unité dans le mode de réalisation pour l'installation de chauffage par le sol. |
| Valtec | Collecteur en laiton nickelé italien pour la distribution des flux de caloporteur dans le système de chauffage par le sol. | Aux sorties du peigne, il y a une soupape de commande pour contrôler le débit du liquide de refroidissement avec des indicateurs moyens de la ressource totale au niveau de huit mille cycles. |
L'achat d'une armoire spéciale, ou du soi-disant boîtier de montage, dans lequel est installé le collecteur du système «plancher chaud» est tout aussi important.

Instructions de montage et d'installation
L'auto-assemblage du peigne de distribution est tout à fait possible, car tous les produits préfabriqués sont toujours complètement complets et sont accompagnés d'instructions intuitives.

La configuration standard du collecteur pour la disposition du système "plancher chaud" est présentée:
- armoire en métal;
- un thermomètre;
- robinet de vidange avec bouchon;
- évent automatique pour chaque branche;
- raccords;
- vannes thermostatiques;
- débitmètres.
Le contrôle de la température est effectué par des ventilateurs thermostatiques dont le réglage peut être manuel ou entièrement automatique. La deuxième option est plus pratique et pratique, ce qui affecte le coût total de l'équipement.
Outils nécessaires
Pour l'auto-assemblage d'un produit d'usine, il est nécessaire de préparer un ensemble d'outils standard, ainsi qu'un câble de remorquage ou FUM traditionnel, pour obtenir la connexion la plus fiable de tous les éléments. De plus, une graisse spéciale peut être utilisée pour augmenter la qualité de torsion des joints filetés.
Assemblage de peigne en usine
Pour assembler un collecteur fabriqué en usine, vous devez suivre ces étapes:
- Une fois la boîte déballée, il est nécessaire de vérifier la configuration et de s'assurer de l'intégrité de tous les éléments.
- Ensuite, toutes les pièces sont disposées sur une surface plane et horizontale dans la séquence de montage.
- Assemblez tous les éléments de peigne individuels pour le système de «chauffage par le sol» conformément aux instructions fournies avec l'unité.
- Au stade final de l'assemblage, les petits nœuds doivent être connectés aux collecteurs d'alimentation et de sortie.
L'isolation thermique est l'un des composants importants des systèmes de chauffage par le sol, ce qui permet une utilisation rationnelle de l'énergie. Vous pouvez lire sur les différents radiateurs et leurs options d'installation ici:https://floor.experticuspro.com/tepliy-pol/penopolistirol-dlya-teplogo-pola.html.
Montage du luminaire
L'installation de l'unité comprend les étapes suivantes:
- Pour l'auto-assemblage du peigne dans le système «plancher chaud», il est nécessaire de déballer les supports de montage et de s'assurer qu'ils sont complets.
- Fixez la partie collectrice du peigne sur les supports avec des supports grands et petits.
- Conformément aux marques faites sur le mur, percez des trous et installez les collecteurs, les vannes, les thermomètres, les vannes de vidange et les bouches d'aération.
- Au stade final, l'installation d'un dispositif de vanne de type à deux ou trois voies est effectuée, l'installation d'équipements de pompage et d'autres composants inclus dans l'ensemble complet de peigne pour le système de chauffage "plancher chaud".
Réglage du peigne pour le chauffage par le sol
Les produits d'usine subissent des tests de pression de banc, comme en témoignent les documents justificatifs contenant des informations complètes sur tous les tests hydrauliques effectués dans des conditions spéciales. L'utilisation de tels appareils compacts avec une garantie d'étanchéité des joints soudés et filetés est la meilleure option dans tous les systèmes de chauffage domestique. Ces composants se caractérisent par une disposition ergonomique des commandes et leur installation à l'intérieur d'armoires de montage spéciales n'empêche pas l'accès aux vannes de commande.

Le caloporteur du tuyau d'alimentation et le «retour» sont mélangés à l'intérieur de chaque sortie ou directement devant le collecteur, mais il est conseillé de confier le calcul du circuit optimal à des spécialistes.
La régulation du régime de température de la surface du sol implique la mise en œuvre de plusieurs actions séquentielles:
- Réglez la soupape de dérivation sur max, en la réglant sur 0,6 bar. Le fonctionnement de ce nœud pendant le processus de configuration entraîne un résultat erroné.
- Calculer la vanne d'équilibrage, en utilisant à cet effet les indicateurs de température au retour, à la conduite d'écoulement et à la sortie de l'appareil de chauffage, dans les conditions d'un coefficient standard de 0,9 et selon la formule de débit: K = 0,9 × [(tk - to/ tp - to) – 1]).
- Mettre en place l'équipement de pompage en calculant le débit d'eau bouillante et les indicateurs de perte de pression sur les circuits. Il est permis de régler la vitesse d'avance minimale avec l'ajout progressif de la vitesse.
- Équilibrez les branches en ouvrant complètement les nœuds de contrôle et en les fermant en douceur à la position souhaitée.
Au stade final de réglage du peigne pour le système «plancher chaud», le débit de l'unité de mélange est adapté à d'autres appareils de chauffage.
Il convient de noter que l'installation du débitmètre facilitera grandement l'obtention de précision lors de la configuration de tous les nœuds. Il est recommandé de régler les paramètres de traitement du dispositif de soupape de dérivation environ dix pour cent plus bas que les valeurs de pression maximales définies de l'équipement de pompage.
Vous en apprendrez plus sur l'auto-assemblage d'un plancher chauffant à l'eau et l'analyse de différents systèmes d'installation dans le matériau:https://floor.experticuspro.com/tepliy-pol/vodyanoj-teplyj-pol-svoimi-rukami.html.
Comment fabriquer soi-même un appareil
La fabrication indépendante d'un nœud de distribution n'est pas trop gênante et pas du tout coûteuse, de sorte que cette option est de plus en plus choisie par les artisans amateurs qui souhaitent économiser de l'argent sur l'achat d'un appareil aussi cher.
Dessiner un dessin
Avant de commencer à assembler le peigne de vos propres mains, vous devez établir un dessin ou un schéma compétent d'un tel appareil en tenant compte du nombre de circuits, de la charge et d'autres paramètres de base.

Sélection du matériel nécessaire
Pour fabriquer un peigne vous-même, vous devrez acheter certaines des pièces les plus simples présentées:
- Té en laiton ½ pouce - quatre pièces;
- robinet à boisseau sphérique avec raccord fileté ½ pouce - cinq pièces;
- mastic silicone;
- Prise standard ½ pouce.
Les tés acquis doivent nécessairement avoir une configuration dans laquelle un filetage interne est présent sur un côté du produit et un filetage externe est situé sur le côté opposé.
Fabrication
La séquence d'autoproduction d'un peigne de distribution pour le système de chauffage "plancher chauffant":
- Assemblez les tés en une seule ligne. Pour connecter chaque té suivant au précédent, des filetages externes et internes sont utilisés, ce qui vous permet d'obtenir un tuyau droit avec la présence de couches latérales. Une étanchéité fiable de toutes les connexions implique de traiter les emplacements des connexions filetées avec des mastics silicone appliqués sur le filetage extérieur. Tout excédent de scellant doit être enlevé avec un chiffon.
- Un robinet standard est installé à l'entrée du tuyau droit résultant à l'aide d'un joint en silicone et de raccords filetés.
- Sur le côté opposé de la base, un bouchon est installé sur un peigne de fortune.
- Toutes les branches latérales sont équipées de robinets vissés et scellés.
Le peigne de distribution autoproduit ainsi obtenu est parfaitement adapté à l'aménagement d'un système «plancher chaud» à quatre circuits.
Une option tout aussi populaire est le soudage indépendant des peignes sur la base de tuyaux en polypropylène et accessoires supplémentaires. Le nombre de tés est sélectionné individuellement et les morceaux de tuyaux PPR doivent avoir un diamètre similaire à eux. Dans ce mode de réalisation, les tuyaux coupés servent de raccords de raccordement pour joindre les tés.
Vidéo: collectionneur fait maison
Le chauffage d'une pièce avec un système de «plancher chaud» moderne et très efficace est l'une des options les plus pratiques du point de vue des économies d'énergie et même de la distribution de l'énergie thermique. Lors de l'organisation de ce type de chauffage sur une grande surface, un peigne spécial à commande manuelle ou automatique est nécessairement utilisé.
L'utilisation de l'automatisation dans le système de contrôle du peigne est une option idéale qui vous permet d'obtenir le niveau maximum d'avantages économiques avec la consommation d'énergie thermique. Néanmoins, un tel appareil appartient à la catégorie des équipements non publics et à inertie, par conséquent, le chauffage et le refroidissement du système de chauffage par le sol prendront un certain temps.













